產品簡介
工作條件:
- 吸入壓力≤1.6MPa,或泵系統最高工作壓力 ≤1.6MPa,即泵吸入口壓力+泵揚程≤1.6MPa、泵靜壓試驗壓力為2.5MPa,訂貨時請注明系統工作壓力。泵系統工作壓力大于1.6MPa時應 在訂貨時另行提出,以便在制造時泵的過流部分和聯接部分采用鑄鋼材料。
- ISWR管道增壓泵<40℃,相對濕度<95%。
- 所輸送介質中固體顆粒體積含量不超過單位體積的0.1%,粒度<0.2mm。
- ISWR管道循環泵廣泛適用于:冶金、化工、紡織、造紙、以及賓館飯店等鍋爐熱水增壓循環輸送及城市采暖系統,ISWR型使用溫度T≤120℃。
注:如使用介質為帶有細小顆粒,請在訂貨時注明,以便廠家采用耐磨式機械密封。
型號意義
產品優勢
- ISWR臥式熱水管道離心泵運行平穩:泵軸的絕對同心度及葉輪優異的動靜平衡,保證平穩運行沒有振動。
- 滴水不漏:不同材質的硬質合金密封,保證了不同介質輸送均無泄漏。
- ISWR管道循環泵噪音低:兩個低噪音軸承支撐下的水泵,運轉平穩,除電機微弱聲響,基本無噪音。
- 故障率低:結構簡單合理;配套,整機無故障工作時間大大提高。
- ISWR管道增壓泵維修方便:更換密封、軸承,簡易方便。
- 占地更省:出口可向左、向右、向上三個方向,便于管道布置安裝,節省空間。
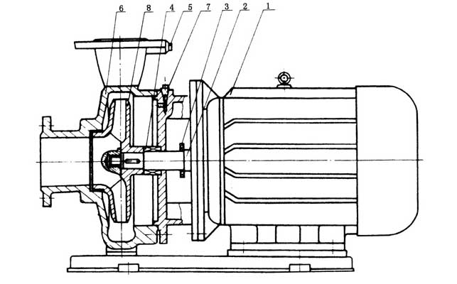
結構圖紙
?
- 電動機:直接與水泵聯接傳送動力,采用名牌電機。
- 泵軸:與電機同軸,為電機加長軸,確保了軸的同心,使泵運轉平穩。無噪音和振動現象,采用鍍鉻處理,增強了使用壽命。
- 擋水圈:防止因密封漏水而使電機進水。
- 機械密封:采用不銹鋼、碳化鎢、氟橡膠等材料制成。平衡式耐高溫。高壓機械密封,運行壽命長,不滲漏,對軸無磨損,不積水垢,保證工作環境的整潔。
- 取壓塞:可安裝壓力表直觀監控泵的正常高效運行
- 泵體:壓出塞和吸入室采用優秀水力模型設計而成,既美觀又高效,設有安裝底腳,便于安裝和運行穩固。
- 放氣塞:灌泵時排凈泵內空氣,保證了泵的正常啟動。
- 葉輪:采用先進的水力模型設計而成,具有高效率,可靠性好等特點。
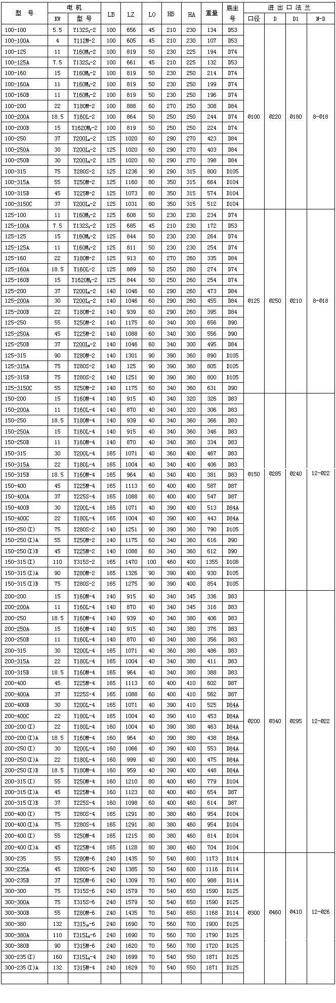
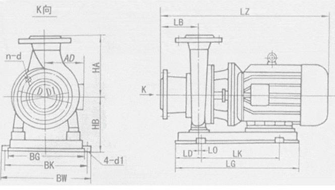
安裝尺寸本數據僅供參考,請以實際訂貨為準!
使用說明
起動前準備:
- 試驗電機轉向是否正確,從電機頂部往泵看為順時針旋轉,試驗時間要短,以免使機械密封干磨損。
- 打開排氣,使液體充滿整個泵體,待滿后關閉排氣閥。
- 檢查各部位是否正常。
- 用手盤動泵以使潤滑液進入機械密封端面。
- 高溫型應先逬行預熱,升溫速度50℃/小時,以保證各部受熱均勻。
起動:
- 全開進口閥門。
- 關閉吐出管路閥門。
- 起動電機,觀察泵運行是否正桷。
- 調節出口閥幵度以所需工況,如用戶在泵出口處裝有流量表或壓力表,應通過調節出口閥門開度使泵在性能參數表所列的頷定點上運轉,如用戶在泵出口處裝有流量表或壓力表,應通過調節出口閥門開度,測量泵的電機電流,使電機在額定電流內運行,否則將造成泵超員荷運行(即大電流運行)至使電機燒壞。調正好的出口閥門開啟大與小和管道工況有關。
- 檢査軸封泄漏情況,正常時機械密封泄漏應小于3滴/分。
- 檢查電機、軸承處溫升≦70℃。
停車:
- 高溫型先降溫,降溫速度〈10℃/分,把溫度降低到80℃以下,才能停車。
- 關閉吐出管路閥門。
- 停止電機。
- 關閉進口閥門。
- 如長期停車,應將泵內液體放盡。
維護保養
- 運行中的維護:
- 進口管道必須充滿液體,禁止泵在汽蝕狀態下長期運行。
- 定時檢查電機電流値,不得超過電機頷定電流。
- 泵進行長期運行后,由于機械磨損,使機組噪音及振動增大時,應停車檢查,必要時可更換易損零件及軸承,機組大修期一般為一年。
- 機械密封維護:
- 機械密封潤滑應清潔無固體顆粒。
- 嚴禁機械密封在干磨情況下工作。
- 起動前應先盤動泵(電機)幾圈,以免突然起動造成石墨環斷裂損壞。
- 密封泄漏量允差3滴/分。否則應檢查。
| 故障現象 |
故障原因 |
排除方法 |
| 1.水泵不出水 |
- 進出口閥門未打開,進出管路堵塞,流道葉輪堵塞。
- 電機運行方向不對,電機缺相轉速很慢。
- 吸入管漏氣。
- 泵沒灌滿液體,泵腔內有空氣。
- 進口供水不足,吸程過高,底閥漏水。
- 管路阻力過大,泵選型不當。
|
- 檢查,去除堵塞物。
- 調整電機方向,緊固電機接線。
- 擰緊各密封面,排除漏氣。
- 灌滿液體并打開排氣閥,排盡空氣。
- 停機,檢查、調整(并網自來水管或帶吸程使用易出現此現象)。
- 減少管路彎道,重新選泵。
|
| 2.水泵流量不足 |
- 先按1.原因檢查。
- 管道、泵流道葉輪部分堵塞,水垢陳積,閥門開度不足。
- 電壓偏低。
- 葉輪磨損。
|
- 先按1.排除。
- 去除堵塞物,重新調整閥門開度。
- 穩壓。
- 更換葉輪。
|
| 3.功率過大 |
- 超過額定流量使用。
- 吸程過高。
- 泵軸承磨損。
|
- 調節流量,關小出口閥門。
- 降低。
- 更換軸承。
|
| 4.雜音振動 |
- 管路支撐不穩。
- 液體混有氣體。
- 產生汽蝕。
- 軸承損壞。
- 電機超載發熱運行。
|
- 穩固管路。
- 提高吸入壓力排氣。
- 降低真空度。
- 更換軸承。
- 調整按5。
|
| 5.電機發熱 |
- 流量過大,超載運行。
- 碰擦。
- 電機軸承損壞。
- 電壓不足。
|
- 關小出口閥。
- 檢查排除。
- 更換軸承。
- 穩壓。
|
| 6.水泵漏水 |
- 機械密封磨損。
- 泵體有砂孔或破裂。
- 密封面不平整。
- 安裝螺栓松懈。
|
- 更換。
- 焊補或更換。
- 修整。
- 緊固。
|